Vehicle Exploded View - DERBI QUAD 50 QUAD DFW 50cc 2005 E2 3ª edicion
All the exploded views of this vehicle
Filter :
Or choose :
-
-
001A Biellette
-
001B Biellette
-
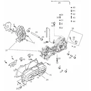
016A Carters
-
016B Carters
-
018A Tuyau d’échappement
-
018B Tuyau d’échappement
-
022A Transmission
-
022B Transmission
-
10 Chaîne
-
11 Direction
-
12 Circuit electrique
-
13 Clignotement
-
14 Cylindre - Culasse
-
15 Arbre moteur
-
17 Carburateur
-
19 Filtre air
-
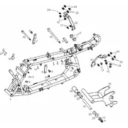
2 Chassis
-
20 Ventilateur
-
21 Pompe huile
-
23 Volant magnétique
-
24 Groupe démarreur
-
25 Embrayage
-
3 Chassis
-
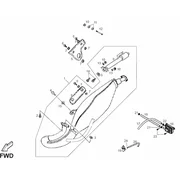
4 Frein arriere
-
5 Frein avant
-
6 Roue Av.
-
7 Roue arrière
-
8 Réservoir
-
9 Guidon - Commandes