mobile menu icon P2R logo

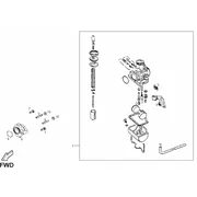
Vehicle Exploded View - DERBI QUAD 200 QUAD DXR 200cc 2004 2ª edicion DERBI

All the exploded views of this vehicle

Filter :
Or choose :