Icone menu mobile Logo P2R
Créer un compte

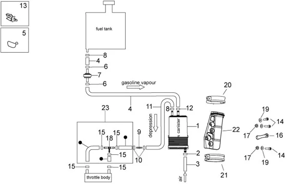
Eclatés de véhicule - APRILIA RSV4 1000 RR 2016 APRILIA

Réservoir : 09.020 SYS.RÉCUP.VAP.ESS.
Sys.récup.vap.ess.
Rechercher
FILTRE A CHARBON ORIGINE PIAGGIO COMMUN A LA GAMME -AP8102678

1

Référence P2R Référence P2R
Référence constructeur Référence constructeur
Plus d'informations

Quantité requise : 1

COLLIER SERRAGE TUBE ORIGINE PIAGGIO COMMUN A LA GAMME -AP8102520

2

Référence P2R Référence P2R
Référence constructeur Référence constructeur
Plus d'informations

Quantité requise : 1

890499 - TUYAU ESSENCE D.8X13

3

Référence P2R Référence P2R
Référence constructeur Référence constructeur
Plus d'informations

Quantité requise : 1

856063 - TUYAU

4

Référence P2R Référence P2R
Référence constructeur Référence constructeur
Plus d'informations

Quantité requise : 2

GUIDE CABLE ORIGINE PIAGGIO/APRILIA COMMUN A LA GAMME -AP8221150

5

Référence P2R Référence P2R
Référence constructeur Référence constructeur
Plus d'informations

Quantité requise : 1

AP8102239 - COLLIER CLIC

6

Référence P2R Référence P2R
Référence constructeur Référence constructeur
Plus d'informations

Quantité requise : 2

860138 - SOUPAPE

7

Référence P2R Référence P2R
Référence constructeur Référence constructeur
Plus d'informations

Quantité requise : 1

COLLIER CLIC VERT (6.6x11x1) ORIGINE PIAGGIO COMMUN A LA GAMME -AP8120446

8

Référence P2R Référence P2R
Référence constructeur Référence constructeur
Plus d'informations

Quantité requise : 2

AP8121267 - QUEUE DE ETRANGLEMENT

9

Référence P2R Référence P2R
Référence constructeur Référence constructeur
Plus d'informations

Quantité requise : 1

AP8102998 - FASCETTA STRINGITUBO D.9,5

10

Référence P2R Référence P2R
Référence constructeur Référence constructeur
Plus d'informations

Quantité requise : 2

856062 - TUYAU

11

Référence P2R Référence P2R
Référence constructeur Référence constructeur
Plus d'informations

Quantité requise : 1

COLLIER CLIC (13x6) ORIGINE PIAGGIO COMMUN A LA GAMME -AP8102764

12

Référence P2R Référence P2R
Référence constructeur Référence constructeur
Plus d'informations

Quantité requise : 1

AP8221311 - PASSE-CABLE

13

Référence P2R Référence P2R
Référence constructeur Référence constructeur
Plus d'informations

Quantité requise : 1

VIS BTR (6x20) ORIGINE PIAGGIO COMMUN A LA GAMME -AP8150044

14

Référence P2R Référence P2R
Référence constructeur Référence constructeur
Plus d'informations

Quantité requise : 3

COLLIER SERRE TUBE ORIGINE PIAGGIO COMMUN A LA GAMME -CM001901

15

Référence P2R Référence P2R
Référence constructeur Référence constructeur
Plus d'informations

Quantité requise : 5

ENTRETOISE DE BOITIER RECYCLAGE DE GAZ ORIGINE PIAGGIO APRILIA 1000 RSV-4, 1100 RSV-4, TUONO V4 -894933

16

Référence P2R Référence P2R
Référence constructeur Référence constructeur
Plus d'informations

Quantité requise : 1

ECROU BRIDE AUTOBLOQUANT/NYLSTOP (M6) ORIGINE PIAGGIO COMMUN A LA GAMME -AP8152299

17

Référence P2R Référence P2R
Référence constructeur Référence constructeur
Plus d'informations

Quantité requise : 2

RACCORD EN " T " ORIGINE APRILIA RSV-4 1000 2009>2016, TUONO V4 1000 R 2011>2015/ PIAGGIO TYPHOON 125 4T 2011>2017, X9 125 1998>2005  -828325-

18

Référence P2R Référence P2R
Référence constructeur Référence constructeur
Plus d'informations

Quantité requise : 1

DOUILLE/ENTRETOISE (6) ORIGINE PIAGGIO COMMUN A LA GAMME -AP8121032

19

Référence P2R Référence P2R
Référence constructeur Référence constructeur
Plus d'informations

Quantité requise : 4

AP8102688 - COLLIER

20

Référence P2R Référence P2R
Référence constructeur Référence constructeur
Plus d'informations

Quantité requise : 1

AP8102719 - COLLIER

21

Référence P2R Référence P2R
Référence constructeur Référence constructeur
Plus d'informations

Quantité requise : 1

894901 - SUPPORT FILTRE A CHARBON

22

Référence P2R Référence P2R
Référence constructeur Référence constructeur
Plus d'informations

Quantité requise : 1

2B002148 - TUBES FREIN

23

Référence P2R Référence P2R
Référence constructeur Référence constructeur
Plus d'informations

Quantité requise : 1

Tous les éclatés de ce véhicule

Filtrer :
Ou choisissez :